English Nederlands

Always Up-to-Date Technical Drawings

MaintenancePal provides a comprehensive service that keeps your technical documentation current. Mechanics can consult drawings, make annotations, and our technical team updates them based on your feedback—ensuring your drawings always reflect reality.

MaintenancePal App Interface

Our Services

MaintenancePal provides a complete drawing management service that keeps your technical documentation accurate and up-to-date through a collaborative feedback loop.

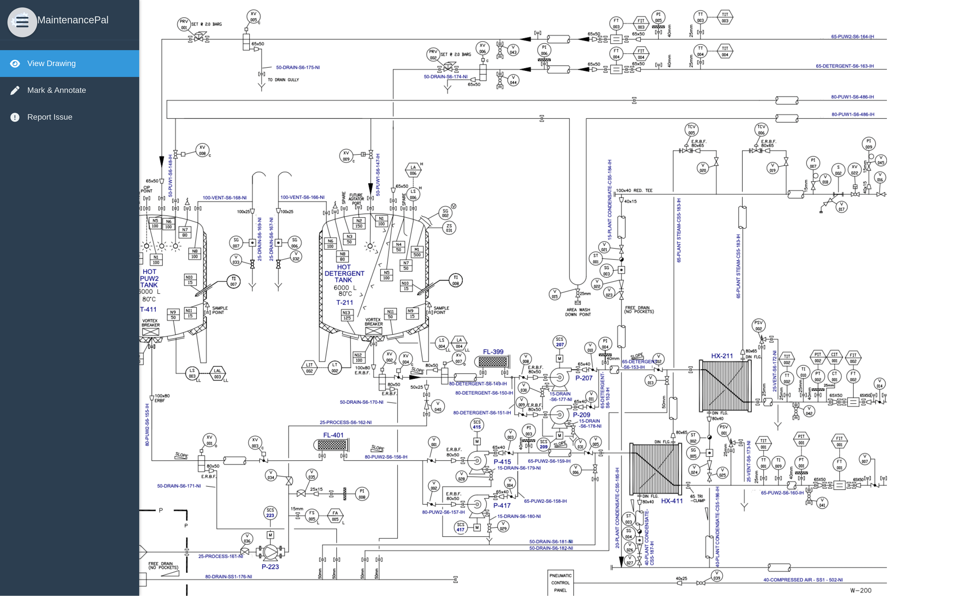
Access Up-to-Date Drawings

View the latest version of your technical drawings on any device, ensuring you always have accurate and current documentation wherever you are.

Access Drawings Anywhere

Mark & Annotate

Easily identify discrepancies and suggest changes using our intuitive annotation tools, providing direct feedback to our technical drawing team.

Mark & Annotate

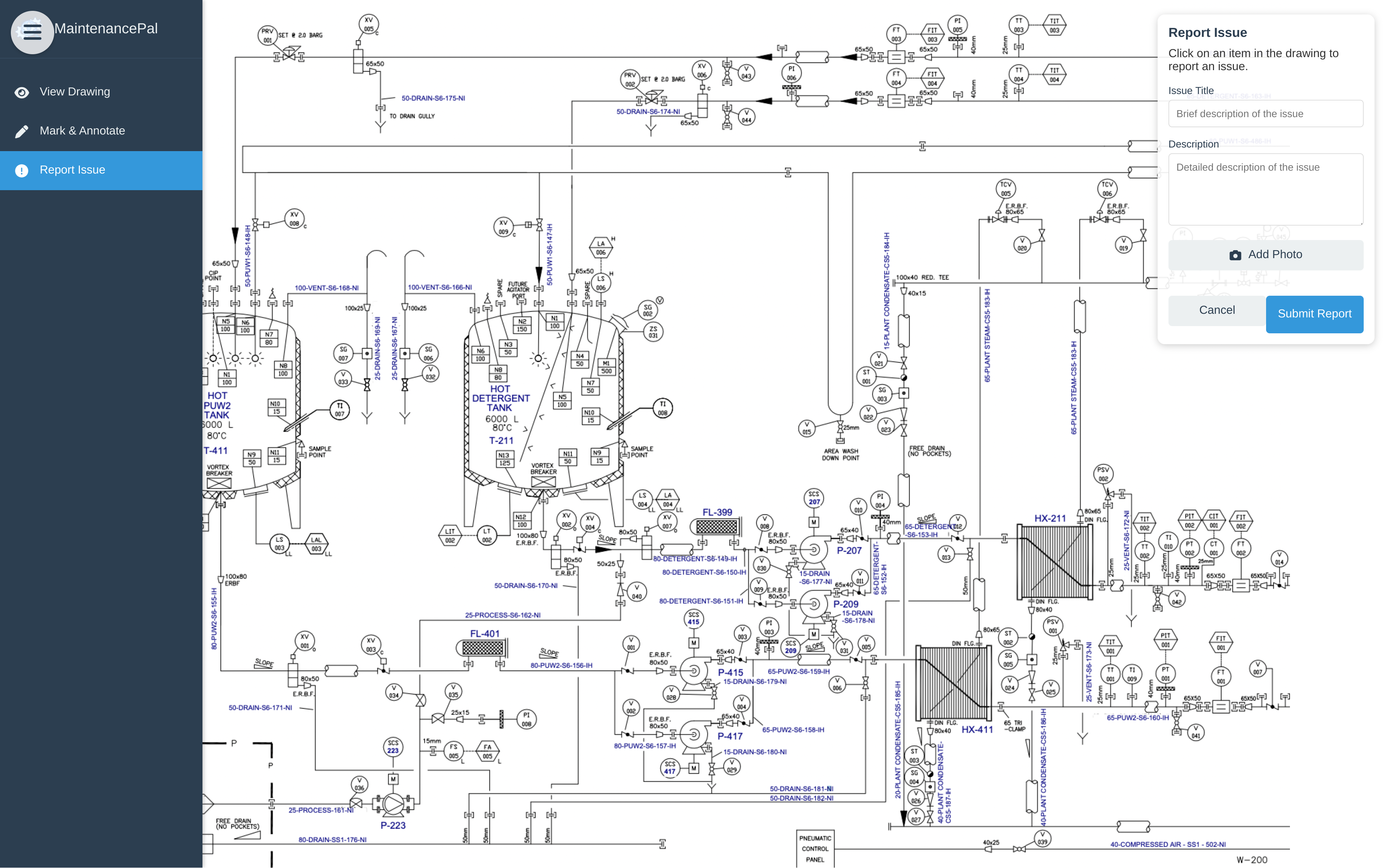
Report Issues

Create detailed reports on equipment that needs attention, with photos and descriptions that help our team prioritize updates and maintenance documentation.

Report Issues

Drawing Updates Service

Our technical team reviews your annotations and updates the master drawings, ensuring your documentation always reflects the current state of your systems.

Drawing Updates

Professional Drawing Update Service

At MaintenancePal, we understand the critical importance of keeping your technical drawings up-to-date. Our specialized service makes it incredibly easy for mechanics to mark changes directly on drawings while in the field.

Our team of experienced technical drawers will transform your annotations into professionally updated P&IDs and technical drawings with remarkable efficiency. No more outdated documentation or confusion about the current state of your systems.

With our streamlined process, your entire drawing library can be brought up to date in no time, ensuring that your maintenance team always has access to accurate documentation that reflects the true state of your equipment and facilities.

Learn More About Our Process
Technical Drawing Professional
Mobile Access to Technical Drawings

Always Up-to-Date Drawings at Your Fingertips

MaintenancePal ensures that mechanics and maintenance personnel always have the most current technical drawings at hand, exactly when they need them most.

With our mobile-friendly platform, accessing accurate P&IDs and technical documentation is as simple as pulling out your tablet or smartphone. No more carrying outdated paper drawings or returning to the office to check documentation.

When performing maintenance or reporting failures, having instant access to up-to-date drawings significantly reduces downtime, prevents errors, and enables faster troubleshooting. Our system ensures that any changes made to your equipment are promptly reflected in your documentation, giving your team confidence that they're working with accurate information.

Experience Mobile Access

Our Service Plans

Choose the plan that best fits your team's needs with flexible options for keeping your technical drawings up-to-date.

BASIC

229
per User/month
  • Access to all drawings
  • 5 drawing updates per month
  • Basic annotation tools
  • Issue reporting
  • Priority support

STANDARD

759
per User/month
  • Access to all drawings
  • 10 drawing updates per month
  • Advanced annotation tools
  • Detailed issue reporting
  • Standard support

PREMIUM

999
per User/month
  • Access to all drawings
  • 20 drawing updates per month
  • Premium annotation tools
  • Advanced reporting & analytics
  • Priority support

Need a custom solution?

We also offer a credit-based system with prepurchased credits for drawing updates.

Contact Us

Credit-Based Drawing Update Service

Our flexible credit system allows you to pay only for the drawing updates you need, with volume discounts for larger organizations.

Standard Credits

50 per credit

For 1-100 credits per month

Each credit represents one drawing update

Ideal for small to medium sites

Initial setup costs apply

Volume Credits

40 per credit

For 101-1000 credits per month

20% savings on each drawing update

Perfect for medium to large operations

Initial setup costs apply

Enterprise Credits

35 per credit

For 1001+ credits per month

30% savings on each drawing update

Designed for large industrial complexes

Initial setup costs included

What Our Clients Say

Hear from maintenance professionals who rely on our drawing update service every day.

"MaintenancePal has revolutionized our technical documentation. Their service ensures our drawings are always up-to-date with field conditions. Our mechanics provide feedback, and their team implements the changes—it's a seamless process that has dramatically improved our maintenance operations."

Testimonial Author

John Smith

Maintenance Manager, Industrial Solutions Inc.

Get In Touch

Have questions about our drawing update service? Contact us to learn how we can keep your technical documentation current.

Lindenlaan 86
1271 BC, Huizen

+31 (0) 6 219 0000 3

sales@automatheboringstuff.nl

×